CAD Scholars Network
CAD Scholars Network
  • Home
  • My Projects
  • About Me
  • My Profiles
    • Linked In
    • Grab CAD Profile
    • YouTube Channel
  • Learn
    • CAD
    • CAE
    • BOOKS
    • GATE
  • CAD Model Blueprints
  • More
    • Home
    • My Projects
    • About Me
    • My Profiles
      • Linked In
      • Grab CAD Profile
      • YouTube Channel
    • Learn
      • CAD
      • CAE
      • BOOKS
      • GATE
    • CAD Model Blueprints

  • Home
  • My Projects
  • About Me
  • My Profiles
    • Linked In
    • Grab CAD Profile
    • YouTube Channel
  • Learn
    • CAD
    • CAE
    • BOOKS
    • GATE
  • CAD Model Blueprints

3D View

Project Link

Project: IV

Design of a 7-Cylinder Radial Engine using CATIA

The components of the radial engine were designed and assembled using the CATIA software tool. Also, the drafting of the assembled product of the radial engine was done. During this project, I learned a lot of stuff about computer-aided design and designing the product based on industrial requirements, with a lot of shortcuts that made the design of the radial engine so easy.

Download PDF

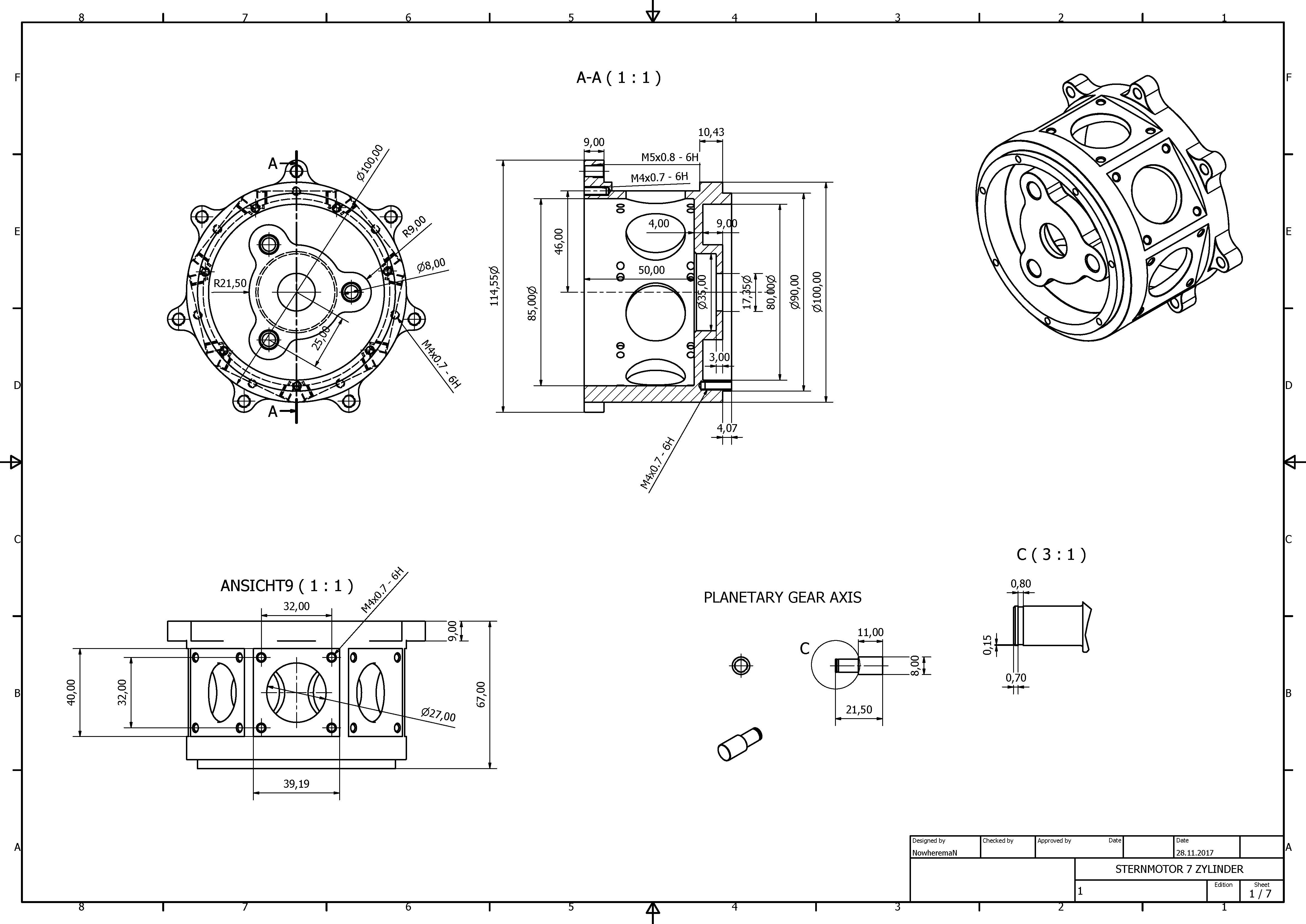
The blueprints and drawings for the 7-cylinder radial engine are given below. Feel free to explore them.

7-Cylinder Radial Engine Preview (pdf)Download
Blue Print of 7-Cylinder Radial Engine (jpg)Download
ROTARY ENGINE BASIC DRAWINGS_Seite_1 (jpg)Download
ROTARY ENGINE BASIC DRAWINGS_Seite_2 (jpg)Download
ROTARY ENGINE BASIC DRAWINGS_Seite_3 (jpg)Download
ROTARY ENGINE BASIC DRAWINGS_Seite_4 (jpg)Download
ROTARY ENGINE BASIC DRAWINGS_Seite_5 (jpg)Download
ROTARY ENGINE BASIC DRAWINGS_Seite_6 (jpg)Download
ROTARY ENGINE BASIC DRAWINGS_Seite_7 (jpg)Download
@Bill of Materials (pdf)Download
@Projection views (pdf)Download
@Sectional Views (pdf)Download
Next Project

Copyright © 2025 CAD Scholars Network - All Rights Reserved.

Powered by

This website uses cookies.

We use cookies to analyze website traffic and optimize your website experience. By accepting our use of cookies, your data will be aggregated with all other user data.

Accept